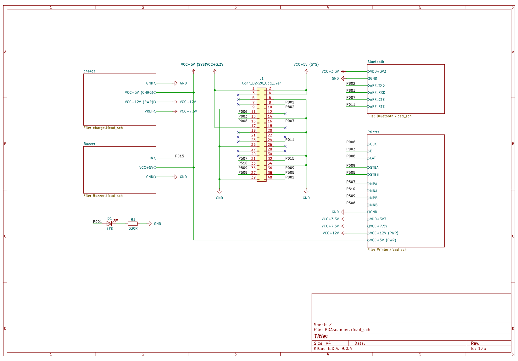
该PCBA为四层板,扩展板上预留有热敏打印机的放置位置,2.54mm2X20Pin排母可以直插VisionBoard主板的扩展接口,采用+12V电源供电,也可外接锂电池组输出+12V进行独立供电,预留有Type-C充电接口。



1.1. 数据获取与微打印一体化设计
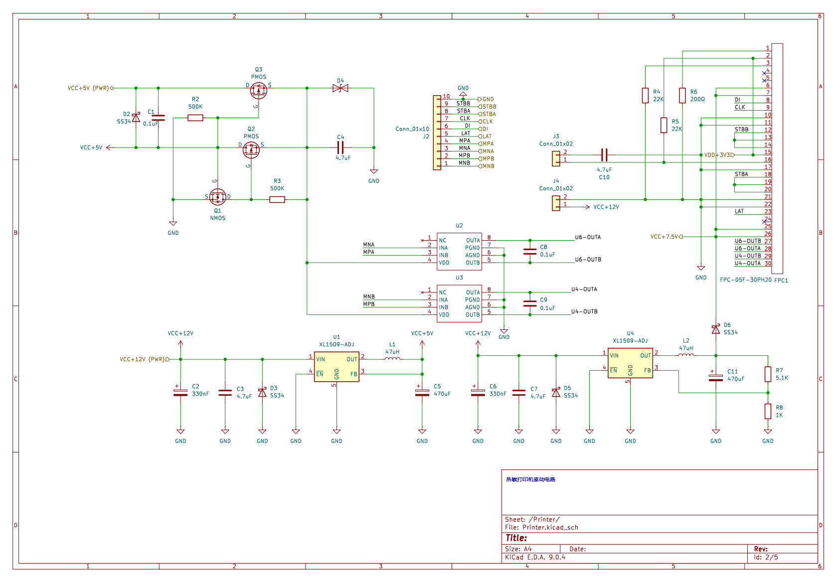
作为PDA扫描器最具实用性的部分,扩展板设计有热敏打印机驱动电路,集成有电机控制和加热控制两部分,具有实时信息打印功能,摄像头识别到二维码或条形码后扫描得到的信息,如商品名称、价格、SN号和批号等数据直接通过外接的热敏打印机很便捷地打印出来,无需等货架上的商品都扫一遍后再通过电脑打印,解决了后期裁剪价签和流程繁琐等问题,随扫随打可极大地避免因后期遗忘商品位置导致价签漏贴货架的情况发生。

2. 业务数据实时共享——低功耗蓝牙无线传输
该扩展板载有nRF51822蓝牙芯片,可实现端对端数据实时交互功能,也可无需建立连接,以BLE广播的形式单向传输,无论是其它扫描器终端设备还是手机,都可以做到安全共享业务数据,nRF51822还侧重于蓝牙的低功耗性能,支持1Mbps的标准低功耗速率,其传输距离能达到10-30m,完全满足门店和、中小型仓库的场景应用。

3. 可满足长续航下的高可靠性电源管理
对于PDA扫描器这种长时间工作的移动终端来说,充放电方面的功能不可忽视,该扩展板的电源管理部分采用国产厂商自主可控充电管理芯片(5V充三串锂电池12.6V)PW4053A和PW7126保护芯片的经典组合方案的基础是增加了软硬件结合的充放电控制逻辑,采用可靠性强的逻辑互锁电路实现充放电过程切换的控制,从而形成一个功能完善的智能充电管理单元。

