项目概述
由于Vision Board有图像识别功能,故使用L298N制作扩展板实现类似避障小车的功能
功能介绍
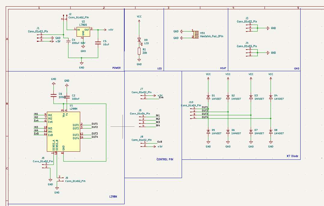
原理图如下

使用针脚连接控制
两层板
成果展示
板子焊接图:


然后使用openmv ide控制gpio引脚,发现pin引脚启用后板子断联,整理了好几天发现有led示例代码,而且有三个led,可以正常运行,于是我就飞线引出了三个pin(多出来那个应该是gnd)

随后使用运行代码使用示波器抓取波形,发现波形正常,故可以通过pin控制l298n来影响电机的运动

另外一方面,关于急停等功能需要利用摄像头,我利用示例代码加以修改,实现了其功能

最后在添加led的控制代码,识别到物体就停止电机运行

