概览
AnyShake Explorer 是一款开源、专业级的地震监测系统。在一个“黑箱”、价格高昂的系统已成常态的领域,Explorer 改变了这一切。 它专为研究人员、工程师、公民科学家和爱好者设计,为环境科学家提供了无与伦比的透明度和灵活性。通过将高灵敏度的三轴地震检波器和三轴加速度计与先进的低噪声电子设备以及我们的跨平台 AnyShake Observer 软件相结合,Explorer 提供了可与专有解决方案相媲美的强大地震洞察力,使先进的地球科学变得经济实惠。

AnyShake 的硬件和软件完全开源,实现了完全的透明度、可定制性和社区驱动的改进。无论是微调传感器校准、与第三方软件集成,还是部署地震台站网络,AnyShake 都能胜任。
但开源并不意味着 AnyShake Explorer 缺少功能。恰恰相反,它可以捕捉高分辨率的 32 位地震检波器数据和 16 位加速度计读数,将数据输出到实时监测工具中,并通过其标准的 RS-232 和 RS-485 接口轻松集成。担心功耗问题?AnyShake 约 0.6 W 的超低功耗让您可以使用太阳能或电池供电进行长时间的数据采集。
其紧凑的尺寸和优雅的设计使其非常适合长期安装和研究,例如监测结构上的振动和应力指标。其易用性及 Observer 软件使其成为公民科学家和学生的理想选择。想知道刚才的震动是不是你的错觉?现在你可以回顾数据一探究竟。
功能与规格
地震检波器: 3 轴 4.5 Hz 速度型地震检波器 (灵敏度 100 V/m/s)
模数转换器: 高分辨率 32 位 ADC
加速度计: 16 位 3 轴加速度计 (满量程 ±2 g)
采集模式: 仅加速度计模式、仅地震检波器模式以及同步采样 (6 通道)
连接性: 2x RS-232, 1x RS-485, GPS/NTP 时间同步
电源: 9-12 V DC, 约 50 mA
软件: AnyShake Observer (跨平台、开源,使用 Go 语言编写)
数据导出: MiniSEED, SAC, WAV
网络功能: 支持 SeedLink 协议, TCP 原始数据转发
采样率: 50/100/200/250 SPS
波特率: 57,600 - 460,800 bps

对比

软件
主仪表盘
主仪表盘简明扼要地概述了台站和设备的状态,包括当前位置、服务模块健康状况、链路连接状态以及实时系统统计信息。

实时波形图
实时波形图视图通过一个基于网页的界面,显示来自您 AnyShake Explorer 设备的地震数据和当前采样率。它支持缩放、平移和可自定义的通道布局。布局配置是持久化的,并且可以锁定以防止意外更改。

SeedLink 流式传输
AnyShake 团队使用纯 Go 语言独立开发了一套 SeedLink 协议实现 (github.com/bclswl0827/slgo),从而实现了原生的 SeedLink 服务,无需依赖 RingServer 或 SeisComP。这使得它能与 Swarm 和 ObsPy 等工具无缝集成。

历史数据查询
历史数据查询功能允许用户通过指定一个时间范围(最长 1 小时)从数据库中检索波形数据。它还集成了全球地震机构的数据,用于反向查询地震事件。检索到的波形片段可以导出为多种格式,包括 MiniSEED、SAC、TXT 和 WAV 音频。

导出的数据格式(如 MiniSEED)与 Swarm 等第三方分析工具完全兼容。下图展示了 2025 年 3 月 28 日在缅甸发生的一次地震事件,AnyShake Explorer 在超过 2400 公里外探测到了该事件——这证明了其卓越的灵敏度和真实世界中的性能,可与许多专有的闭源系统相媲美。

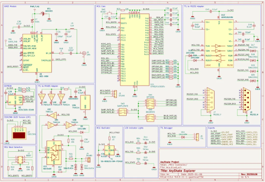
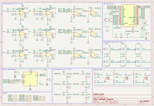
原理图 & PCB







仓库 & 下载
可以在Github中获取开源仓库:
https://github.com/anyshake/explorer
