
前 言
在国产MCU日益发展的当下,作者通过视频宣传,群友推荐等渠道了解到了先楫半导体(HPMicro),也通过HPM出售的各种EVK(6750EVKMini、5300EVK、6E00EVK等)体验过HPM带来的高性能体验;不过,限于EVK的设计目的,部分引脚被板上的外设占用,所以作者决定以HPM最近发布的HPM6P00系列为基础,设计一款电力电子方向的开发板 尽管6P00的运动控制系统精心设计,性能优异,但是我仍然选择了四开关BuckBoost(也称同相BuckBoost)作为开发板的主体功能,这是因为作者曾以此作为毕业设计题目,进行过一定研究,预计可以减少设计过程中的谬误,且硬件闭环等功能经过恰当配置也许可以应用于本项目。
拓扑简介
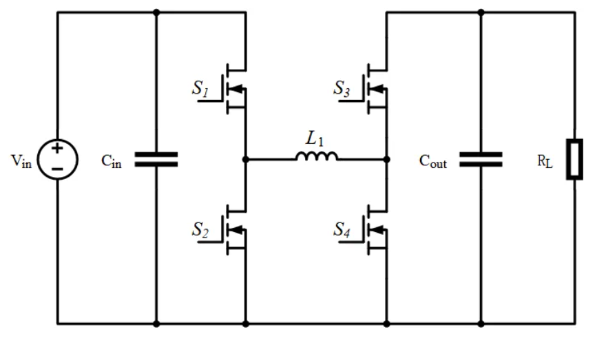
四开关BuckBoost变换器,是一种兼具升降压能力的非隔离DCDC变换器,通过不同的开关组合导通控制实现电压变换,根据设计不同具有多种控制模式,在输入输出变化时能够平顺过渡切换,同时保持较高效率。

HPM6P00简介
HPM6P00系列保持了HPM系列MCU一贯的高性能设计,最高可支持双核600MHz,对于主打的运动控制也是下足本事,配备的100ps分辨率的PWM与2Msps 16bit的ADC是实现精确控制的基础,还有硬件闭环、硬件逻辑、各种
编码器接口与数字接口也对电机控制等应用能提供巨大便利。

预期设计指标

硬件:原理图设计
HPM提供了KiCad符号与封装库,故本项目基于KiCad设计实现HPM Pin Mux Tool是在线引脚/时钟配置工具,能有效加速原理图设计和程序开发,还具有账号登录在线保存,分享码共享工程的功能,非常方便。PinMuxTool以函数为单位,通过创建不同的函数,并在其中配置引脚的复用功能来生成对应的初始化代码。
从下图可以看到HPM的PinOut还是一如既往的整齐,单个外设的功能引脚分组往往都是就近引出,有利于PCB绘制的布线。

MCU部分
电 源
HPM的电源域在设计时需要提供内核电压(VDD_SOC)、IO电压(VDD_IO)、模拟域电压(VANA)、模拟参考电压(VREFH、VREFL),并为片内LDO提供外部去耦电容。
各电源输入输出串接了磁珠,与去耦电容形成低通滤波,提高电源质量,本项目设计时不同电源域接入了不同名称的地网络,但在根页对不同地网络进行了短接,如有切割地平面需求,可以方便修改。
在设计时主要参考了数据手册及HPM6P00EVK原理图。
MCU各电源域

每个VIO引脚放置一个100nF去耦电容。

时钟与复位
6P00系列对时钟频率有固定要求,需要24MHz的外部晶振或50%占空比的24MHz固定时钟用以驱动内部PLL产生各模块所需的频率。
复位引脚连接到按键与JTAG接口,通过RC电路实现上拉+消抖功能。
对于MCU的BOOT0与BOOT1,6P00EVK中未做上下拉处理,此处相同。

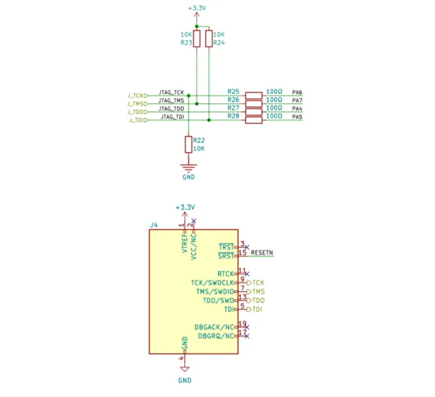
JTAG
JTAG引脚为PA4~PA7,连接了适当的终端电阻与上下拉电阻,通过20p简易牛角座连接到外部调试器。

辅助电源
开发板辅助电源分为四级,其中LM5164原理图通过TI提供的Power Designer工具设计,其他DCDC、LDO电路均为典型用法或简单设计,在此不作过多阐述。


部分辅助电源原理图:

功率电路
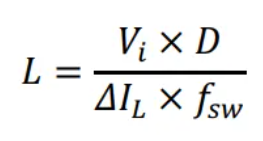
参考设计指标计算功率电感和输入/输出电容容值:

如上条件在Buck模式下电感最小取值应为2.016μH

如上条件在Boost模式下电感最小取值应为2.4μH

综合考虑纹波电流与电感感量,在实际中应视负载情况选用2.2~10μH范围的功率电感,在本项目中,根据计算条件选择CoilCraft的VER2923系列中10μH的功率电感,该系列具有低DCR与高Isat,且适当提高的感量能降低ΔIL,能够满足本项目设计指标之需求。
输入/输出电容
Buck模式输出电容计算公式:

Boost模式输出电容计算公式:

各取其最大值发现均为20μF左右,考虑到后续设计冗余和可能的变频需求,将输入输出电容定位两颗100μF电解电容+一颗1μF MLCC电容并联。
功率电路原理图

驱动电路
驱动电路由UCC27211A半桥驱动和电荷泵供电电路组成。
选择UCC27211A主要是看中其无输入互锁,能够发挥PWMv2外设的死区功能,具有强大的驱动推挽电流(4.5A/3.7A),和较低的传播延迟,且封装与2EDL8024G等高性能栅极驱动通用,便于探索不同的选型搭配。在半桥驱动的输入串接了终端电阻,用以提升信号匹配程度,优化PWM信号边沿。
电荷泵供电电路让两侧上管在四开关的纯Buck和纯Boost模式下具有长时间导通能力,能够简化控制模型,避免在特定情况下产生额外的开关损耗。通过两颗UCC27517提供PWM,与开关节点形成电荷泵,输出两倍开关节点电压以保证上管(Q1 Q3)始终获得足够的Vgs。考虑到电荷泵电压可能过高,在其输出串接了限流电阻和稳压管保护Vgs不超过额定值。
电荷泵PWM由PWM2外设提供控制信号,可以通过互补、移相等手段让两个PWM源交替发波,降低瞬时电流需求;与此同时还接入了MCU控制的使能引脚,可以在不需要电荷泵供电时停止其运行,降低板上耗电,略微提高效率。
采样电路
开发板上共有四路模拟信号供ADC采样,每路ADC均在管脚较近处放置了RC电路,对于SAR-ADC,紧贴管脚的RC电路是必须的,因为其内部采样电容在开启瞬间会造成外部电压跌落,如果没有RC中的C提供足够的电容补偿跌落,将会导致采样结果波动极大,而RC中的R是防止跌落的电压信号反冲到前级运放造成震荡,RC共同构成了SAR-ADC前级的一部分,而不只是低通滤波器。
采样管脚前的RC电路

电流采样
采样电阻如前文图示串接在开关桥臂到滤波电容之间,能够等效采集电感电流,且两侧电压受到电容约束,能
够保证共模跃变电压符合采样放大器(INA241)要求,提高电流采样可靠性。
考虑到设计指标的20A电流输出能力、封装热耗散功率和采样放大器提供的放大倍数,采样电阻选用了1mΩ 5W 2725/2726封装的锰铜电阻,采样放大器采用了1.1MHz小信号带宽、50V/V增益的INA241A3,尽可能提高了电流采样的模拟带宽以适配500kHz的较高开关频率。
此版本的遗憾之处是未引出片上比较器,如果将电流信号与DAC信号共同输入比较器,配合TRGM、PWM等外设可以实现硬件峰值电流模式控制,而此处仅实现了平均电流模式控制。
电流采样
在本项目设计中,由于是电流电压双环设计,所以电压采样的跟随器不需太高性能,所以电压采样选择SGM8551作为ADC前级跟随器,此运放的特点是典型12μV的失调电压,尽管slew rate较低,但仍具有足够的带宽(1.48MHz)。
采样电路原理图

接口电路
开发板的接口电路不是开发板重点内容,因此仅做简单介绍。
USB接口
USB HS是HPM所有MCU的标配,配合易于移植使用的cherryUSB例程,能够便捷实现USB CDC等功能,可以编
写配套的上位机共同调试运行,在本项目中提供了USB Type-B和Type-C接口,主要看重了B口的坚固耐用和C口的便利性,不过在作者实际调试中已经考虑将B口换为A口。VBUS被连接到MCU的对应管脚,供USB外设使用。
作者还放置了ESD阵列用于保护可能与之相连的PC。

CAN/485接口
两个总线接口在绘制PCB时位于整板右侧,SY8089提供的3.3V不便穿过,所以为其单独设置了ME6206为485PHY和CAN PHY的VIO提供3.3V电压。
对于总线侧,在信号进入两个PHY之前需经过ESD二极管、共模电感、终端电阻、对地的滤波电容,能够尽可能
保证通信可靠性。
SMA接口(TRGM)
开发板上具备两个SMA接口,用于收/发TRGM信号,该接口可用于示波器采样同步或多板间并联同步信号,具体用法多样,可以根据实际情况配置TRGM开发使用。
由于TRGM信号多为窄脉冲,单个脉宽可能仅有5e-8秒,因此属于高速信号,在原理图中为其设置了匹配电阻,需要根据实际使用时的收发角色设置来焊接不同的电阻,同时在PCB设计中考虑其阻抗匹配。
杂 项

板载的IIC设备均挂载在同一条总线,经计算使用2K上拉能够满足1Mbps总线速率对上升沿的要求。
结 语
本章基于HPM6P00的丰富外设与高性能特性,剖析了四开关BuckBoost开发板的硬件设计思路与实现细节。从宽范围输入/输出电压的功率拓扑选型,到电源管理、驱动电路、采样电路及各类接口的原理图设计和关键器件选型,在设计层面保证了系统在12~75V、20A电流、高达500 kHz开关频率下的运行。通过合理的采样滤波和保护电路,本开发板已具备实现良好的性能指标的硬件条件及可扩展性,为后续PCB布局优化与固件功能开发奠定了坚实基础。
